Пневматический мембранный режущий клапан ZMAQ, многопружинный пневматический мембранный режущий клапан, кислородный газ, быстрый режущий клапан
Всего продаж:
200 шт.
Минимальное количество для заказа:
1 шт.
Пневматический мембранный режущий клапан ZMAQ, многопружинный пневматический мембранный режущий клапан, кислородный газ, быстрый режущий клапан
от 1 782.00 ₽ за 1 шт.
-21%
1 782.00 ₽
Доставка по Китаю включена в цену
Оптом
от 1 шт.
1 782.00 ₽
Описание





|
产品名称
|
气动薄膜切断阀
|
|
产品型号
|
ZMQ、ZMAQ
|
|
公称通径
|
DN20-400
|
|
压力范围
|
1.0MPa-10.0MPa
|
|
阀体材质
|
铸钢、不锈钢
|
概述:
ZMQ型气动薄膜切断阀采用顶导向结构,配用多弹簧执行机构。切断阀接受来自调节仪表的信号,切断、开启或改变介质流向,达到对压力、流量、温度或液位等工艺参数自动控制。广泛应用于石油、化工、冶金、电力、轻工、纺织等各种工业部门的生产过程自动控制和远程控制系统中。
本系列产品有薄膜式、活塞式两种。阀体结构有单座、套筒、双座(二位三通)三种,密封形式有填料密封和波纹管密封两种,产品公称压力等级有PN10、16、40、64四种,公称口径范围DN20~200mm。适用流体温度由-60~450℃。流量特性为快开。
特点:
1.切断阀采用多弹簧执行机构与调节机构用三根立柱相连,整个高度可减小约30%,重量可减轻约30%。
2.阀体按流体力学原理设计成等截面低流阻流道,额定流量系数增大30%。
3.阀内件密封部分有硬密型和软密封两种,硬密型为堆焊硬质合金,软密封型为软质材料制作。平衡型阀内件,提高了切断阀的许用压差。
4.波纹管密封型对移动的阀杆形成完全的密封。
5.活塞式执行机构,操作力大,使用压差大。
主要零件:
阀体、密封套筒:HT200、ZG230-450 ZG1Cr18Ni9Ti ZGOCr18Ni12M02Ti
阀芯、阀座:1Cr18Ni9Ti OCr18Ni12M02Ti 1Cr18Ni9Ti堆焊司太莱合金
套筒、阀塞:1Cr18Ni9Ti OCr18Ni12M02Ti 1Cr18Ni9Ti堆焊司太菜合金
填 料:聚四氟乙烯、柔性石墨
波纹膜片:丁腈橡胶夹增强涤纶织物
弹 簧:60Si2Mn
阀杆、推杆:2Cr13、1Cr18Ni9Ti
阀芯、阀塞(软质件):增强聚四氟乙烯
波纹管:1Cr18Ni9Ti
主要技术参数
|
公称通径 DN(mm) |
15 |
20 |
25 |
32 |
40 |
50 |
65 |
80 |
100 |
125 |
150 |
200 |
|
|
额定流量 系数 KV |
单座、双座 |
5 |
7 |
11 |
20 |
30 |
48 |
75 |
120 |
190 |
300 |
480 |
760 |
|
套筒 |
|
11 |
20 |
30 |
48 |
75 |
120 |
190 |
300 |
480 |
760 |
||
|
公称压力 PN(MPa) |
1.0 1.6 4.0 6.4 |
||||||||||||
|
额定行程 (mm) |
8 |
12 |
20 |
25 |
40 |
50 |
|||||||
|
有效面积 (c m 2 ) |
ZMQ 型 |
100 |
200 |
400 |
600 |
1000 |
|||||||
|
ZSQ 型 |
100 |
125 |
160 |
250 |
|||||||||
|
允许泄 漏量 |
硬密封 1/h |
- 般: 10 -4 X 阀额定容量;严密型:单、双座: 1.2X10 -7 ,套筒 5X10 -6 X 阀额定容量 |
|||||||||||
|
软密封 |
VI 级 |
||||||||||||
|
允许压差 (MPa) |
ZMQ P N 正作用 |
6.4 |
5.09 |
2.91 |
1.85 |
2.18 |
1.33 |
1.52 |
0.99 |
0.62 |
0.60 |
0.69 |
0.39 |
|
ZMQ P N 反作用 |
6.4 |
6.4 |
3.88 |
2.47 |
2.91 |
1.77 |
2.03 |
1.32 |
0.83 |
0.80 |
0.92 |
0.52 |
|
|
ZSQ P N |
6.4 |
6.1 |
3.5 |
2.3 |
3.0 |
1.9 |
1.9 |
1.5 |
0.93 |
0.84 |
0.65 |
0.47 |
|
|
Z M S QM |
公称压力 |
||||||||||||
|
信号压力 (kPa) |
ZMQ |
0 或 250 |
|||||||||||
|
ZSQ |
0 或 400 ~ 600 |
||||||||||||
1)本产品性能指标贯彻GB/T4213-92;
2)表中允许压差值若大于公称压力则取公称压力值,小于等于公称压力值则不变;
3)表中允许值为使用标准气缸值,可配用不同的气缸提高允许压差.
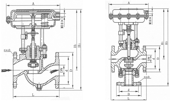
规格重量
|
公称通径 |
15 |
20 |
25 |
32 |
40 |
50 |
65 |
80 |
100 |
125 |
150 |
200 |
|
|
A |
ф 196 |
ф 232 |
ф 308 |
ф 394 |
ф 498 |
||||||||
|
L |
PN16 、 40 |
130 |
150 |
160 |
180 |
200 |
230 |
290 |
310 |
350 |
400 |
480 |
600 |
|
PN64 |
210 |
230 |
230 |
260 |
260 |
300 |
340 |
380 |
430 |
500 |
550 |
650 |
|
|
H |
PN16 、 40 |
305 |
340 |
345 |
370 |
380 |
390 |
475 |
490 |
500 |
765 |
825 |
927 |
|
PN64 |
320 |
350 |
354 |
372 |
382 |
397 |
473 |
475 |
517 |
805 |
882 |
815 |
|
|
波纹管密封型 |
375 |
409 |
414 |
431 |
441 |
468 |
555 |
570 |
613 |
855 |
915 |
1017 |
|
|
H 1 |
PN16 、 40 |
50 |
53 |
58 |
70 |
75 |
83 |
93 |
100 |
110 |
125 |
143 |
170 |
|
PN64 |
60 |
65 |
70 |
77.5 |
85 |
90 |
100 |
85 |
125 |
148 |
170 |
208 |
|
|
H 2 |
PN16 |
115 |
115 |
121 |
130 |
140 |
153 |
178 |
190 |
200 |
260 |
320 |
360 |
|
PN40 |
125 |
125 |
130 |
140 |
150 |
160 |
185 |
200 |
220 |
280 |
320 |
380 |
|
|
PN64 |
150 |
150 |
160 |
170 |
180 |
200 |
230 |
250 |
282 |
310 |
430 |
480 |
|
|
H 3 |
PN16 、 40 |
404 |
415 |
428 |
448 |
468 |
561 |
578 |
590 |
886 |
1008 |
1120 |
|
|
PN64 |
365 |
430 |
498 |
528 |
528 |
530 |
535 |
540 |
600 |
890 |
1208 |
1305 |
|
|
波纹管密封型 |
395 |
465 |
478 |
509 |
509 |
548 |
641 |
658 |
670 |
976 |
1098 |
1210 |
|
|
重量 (kg) |
标准型 |
10 |
10 |
12 |
15 |
18 |
23 |
35 |
45 |
60 |
75 |
90 |
120 |
|
波纹管密封型 |
12 |
12 |
14 |
17 |
20 |
26 |
38 |
48 |
64 |
79 |
95 |
125 |
|

连接标准:
1.法兰标准:铸铁法兰按GB4216-84 铸钢法兰按GB9113-88、JB/T79-94
2.法兰密封面型式:PN10、PN16为凸面; PN40、PN64为凹凸面、阀体为凹面。
3.结构长度:GB12221-89。
4.执行机构气信号接口:内螺纹M10X1
5.阀体法兰及法兰端面距离可以按用户指定的标准制造。如:ANSI、JIS、DIN等标准。
1、服务体系:
一、支持7天无理由退换货;
二、支持30天有问题退换货;
三、质保一年;
四、价格合理:高效率的成本控制,减少开支,让利于客户;
五、交货快捷:充足的库存,便捷的物流,严格按照合同期交货。
2、质量体系:
在阀门行业技术含量并不是很高的情况下,选材跟检验是保证质量的重中之重,故我司从以下两方面进行把关:
一、我公司在采购物料时,对各供应商对品质严格要求把控,按照国标要求进行检验并记录质检报告,多设采购质检部来保证产品质量。
二、按照先进的检验理念和检验工艺、经多次检验无问题才准许出厂。
提示:本文中所有文字、数据、图片均只适用于参考,需要了解更详细的【气动薄膜切断阀】参数、选型、价格等请联系我们,我们将竭诚为您服务!


永嘉老车工阀门厂(属上海钟山泵阀有限公司全资子公司)坐落于温州市永嘉县瓯北工业区,是一家专业的阀门生产厂家。公司为了更好的满足、服务于各新老客户,主要专门生产电动类、气动类、涡轮及手动类的高中低压阀门等。公司以“专注阀门,用心服务”为核心价值,一切以用户需求为中心,希望通过专业水平和不懈努力,提供各领域所需求的阀门,专门为各公司解决阀门问题。
多年来,永嘉老车工阀门厂一直秉承以客户需求为核心,在专注阀门市场开拓的同时,为超过一百家公司提供阀门的服务;优质、用心的服务赢得了众多公司的信赖和好评。公司不仅仅提供专业的阀门优质服务,同时还建立了完善的售后服务体系,为各公司在遇到的阀门问题和困难提供指导帮助。我们相信,通过我们的不断努力和追求,一定能够实现与各公司的互利共赢模式。

电 话:0577 67161601
移动电话:13506665894/13587978748
传 真:86 0577 67161601
地 址:中国 浙江 永嘉县 瓯北镇安丰工业园
邮 编:325100
Характеристики
Бренд:
Шанхай Чжуншань
Применимая среда:
пара
среда давления:
Обычное давление
направление потока:
односторонний
Режим привода:
пневматический
Тип (настройка канального слота):
Двусторонний
стандарт:
национальный стандарт
Технические характеристики:
ZMAQ-16C; ZMAQ-25C; ZMAQ-40C; ZMAQ-64C
Цель:
Регулирование давления
О продавце
Имя:
Оценка сервиса:
4.0
Оценка логистики:
3.2
Оценка споров и жалоб:
5.0
Оценка предложения:
3.6
Оценка консультации:
3.0
repeatPurchasePercent:
0.0
afterSalesExperienceScore:
3.6
Пневматический мембранный режущий клапан ZMAQ, многопружинный пневматический мембранный режущий клапан, кислородный газ, быстрый режущий клапан
1 485.00 ₽
1 485.00 ₽